Toggle navigation
  • 首页
  • 产品指南 
    • 鼓形齿式联轴器  
      • GICL、GICLZ型鼓形齿式联轴器
      • GIICL、GIICLZ型鼓形齿式联轴器
      • GCLD型鼓形齿式联轴器
      • NGCL、NGCLZ型带制动轮鼓形齿式联轴器
      • WG型鼓形齿式联轴器
      • WGC型垂直安装鼓形齿式联轴器
      • WGP型带制动盘鼓形齿式联轴器
      • WGZ型带制动轮鼓形齿式联轴器
      • WGT型中间轴鼓形齿式联轴器
      • TGL型尼龙套鼓形齿式联轴器
      • CL、CLZ型齿式联轴器
    • GSL伸缩型鼓形齿式联轴器
    • 卷筒联轴器  
      • WZL型卷筒联轴器
      • DC系列卷筒联轴器
      • WJ、WJA型球面滚子联轴器
    • 膜片联轴器  
      • JMII型膜片联轴器
      • JMIIJ型中间轴双膜片联轴器
      • JZM型膜片联轴器
      • JZMJ型膜片联轴器
    • 膜盘联轴器  
      • TAHP膜盘联轴器
      • TARM膜盘联轴器
      • TARR膜盘联轴器
      • TARS膜盘联轴器
    • 万向联轴器  
      • SWC系列万向联轴器
      • JXC、SWF型十字轴式万向联轴器
      • WX、WXD小型十字轴万向联轴器
      • WSP型可伸缩小型十字轴万向联轴器
      • 球笼万向联轴器
    • 弹性联轴器  
      • FCL弹性套柱销联轴器
      • ML、MLL梅花形弹性联轴器
      • LZ、LZD、LZZ型弹性柱销齿式联轴器
      • HL、HLL弹性柱销联轴器
      • XL星形弹性联轴器
      • LT、LTZ弹性套柱销联轴器
      • UL型轮胎式联轴器
      • MAL磨擦片安全联轴器
    • 工业胀紧套  
      • Z1-Z21型
    • JS、JSB蛇形弹簧联轴器
    • GL滚子链联轴器
    • 刚性联轴器  
      • YL型凸缘联轴器
      • GY、GYS、GYH型凸缘联轴器
    • 滑块联轴器  
      • SL十字滑块联轴器
      • WH型滑块联轴器
    • 精密伺服联轴器
  • 关于我们 
    • 企业简介
    • 企业文化
    • 企业风采
    • 厂容厂貌
  • 应用案例
  • 技术支持
  • 联系我们

产品详情

 当前位置: 首页 - 产品指南 - 弹性联轴器 - ML、MLL梅花形弹性联轴器

产品类别

  • 鼓形齿式联轴器
  • GSL伸缩型鼓形齿式联轴器
  • 卷筒联轴器
  • 膜片联轴器
  • 膜盘联轴器
  • 万向联轴器
  • 弹性联轴器
  • 工业胀紧套
  • JS、JSB蛇形弹簧联轴器
  • GL滚子链联轴器
  • 刚性联轴器
  • 滑块联轴器
  • 精密伺服联轴器

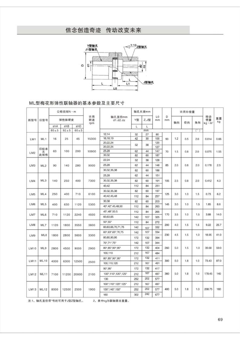
MLL制动轮梅花形弹性联轴器



 详细参数:

 

 地址:镇江市丹徒区谷阳机电工业园(长香东大道59号)

 传真:0511-85573797

 网址:www.td-cd.com

 销售部:0511-85573798 / 0511-88893858

 销售一部 18052826811

 销售二部 17315720363

 24小时热线:0511-85573798

 邮箱:zjtdcd@163.com

关注我们

Copyright © 2021 镇江天地传动机械有限公司 苏ICP备06018764号

X
  • 网站首页
  • 产品指南
    • 鼓形齿式联轴器
      • GICL、GICLZ型鼓形齿式联轴器
      • GIICL、GIICLZ型鼓形齿式联轴器
      • GCLD型鼓形齿式联轴器
      • NGCL、NGCLZ型带制动轮鼓形齿式联轴器
      • WG型鼓形齿式联轴器
      • WGC型垂直安装鼓形齿式联轴器
      • WGP型带制动盘鼓形齿式联轴器
      • WGZ型带制动轮鼓形齿式联轴器
      • WGT型中间轴鼓形齿式联轴器
      • TGL型尼龙套鼓形齿式联轴器
      • CL、CLZ型齿式联轴器
    • GSL伸缩型鼓形齿式联轴器
    • 卷筒联轴器
      • WZL型卷筒联轴器
      • DC系列卷筒联轴器
      • WJ、WJA型球面滚子联轴器
    • 膜片联轴器
      • JMII型膜片联轴器
      • JMIIJ型中间轴双膜片联轴器
      • JZM型膜片联轴器
      • JZMJ型膜片联轴器
    • 膜盘联轴器
      • TAHP膜盘联轴器
      • TARM膜盘联轴器
      • TARR膜盘联轴器
      • TARS膜盘联轴器
    • 万向联轴器
      • SWC系列万向联轴器
      • JXC、SWF型十字轴式万向联轴器
      • WX、WXD小型十字轴万向联轴器
      • WSP型可伸缩小型十字轴万向联轴器
      • 球笼万向联轴器
    • 弹性联轴器
      • FCL弹性套柱销联轴器
      • ML、MLL梅花形弹性联轴器
      • LZ、LZD、LZZ型弹性柱销齿式联轴器
      • HL、HLL弹性柱销联轴器
      • XL星形弹性联轴器
      • LT、LTZ弹性套柱销联轴器
      • UL型轮胎式联轴器
      • MAL磨擦片安全联轴器
    • 工业胀紧套
      • Z1-Z21型
    • JS、JSB蛇形弹簧联轴器
    • GL滚子链联轴器
    • 刚性联轴器
      • YL型凸缘联轴器
      • GY、GYS、GYH型凸缘联轴器
    • 滑块联轴器
      • SL十字滑块联轴器
      • WH型滑块联轴器
    • 精密伺服联轴器
  • 关于我们
    • 企业简介
    • 企业文化
    • 企业风采
    • 厂容厂貌
  • 应用案例
  • 技术支持
  • 联系我们